

GOG200 oval gear flow meter is used to measure liquid flow rate with viscosity 2-200mpa.s in pipelines under certain
pressure and +100℃~+280℃.
1.High temperature:+100~+280℃
2.Multiple structure optional
3.Low requirement for pipes
Detail Show

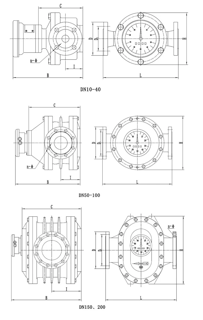
Dimensions
Ⅰ Drawing

Structure

Type selection
